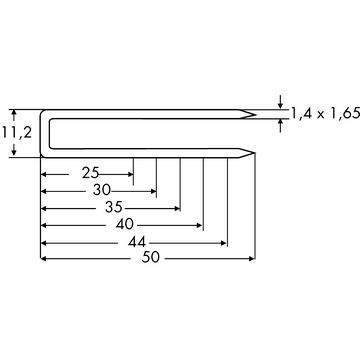
B-KLAMMER TYP-II 11,2X 30MM
- Za prikaz cen se prijavite.
- Šifra artikla:
114682-14300
- Enota:
1000
- Blagovna znamka:
Zaloga: kontaktirajte nas
Opis izdelka
Klammern Typ B-II 11,2 x 30 mm, 14300 ST
Main features short:
Verzinkt für Korrosionsbeständigkeit
Harzbeschichtet
PDP Technical Attribute Sum:
Typ, Klammer: Klammer, Typ B-II, TÜV gepr., geharzt | Material: Stahl | Oberflächenschutz: verzinkt
Produktvorteile:
Verzinkt, geharzt
Eigenschaften:
Main features short:
Verzinkt für Korrosionsbeständigkeit
Harzbeschichtet
PDP Technical Attribute Sum:
Typ, Klammer: Klammer, Typ B-II, TÜV gepr., geharzt | Material: Stahl | Oberflächenschutz: verzinkt
Produktvorteile:
Verzinkt, geharzt
Eigenschaften:
Tehnični podatki
- Lastnost
Vrednost
- Draht-O Dm a
1.4 mm
- Draht-O Dm b
1.65 mm
- Gesamtlänge L1
30 mm
- Inhalt Palette
800800
- Material
Stahl
- Material Kurzbezeichnung
ST
- Oberflächenschutz
ZI|verzinkt
- Rückenbreite Rb
11.2 mm
- Typ, Klammer
Klammer, Typ B-II, TÜV gepr., geharzt